
在现代工作与生活场景中,用户对计算设备的要求越来越高,既需要高效性能,又追求设备的小巧便携。RL-50主板凭借其强大的性能和灵活的扩展性,能够满足办公设计、家庭影音以及游戏娱乐等多领域的应用需求。无论是复杂的图像处理、多媒体编辑,还是沉浸式娱乐体验,RL-50主板都能为用户提供卓越的支持。
01.
行业
痛点
办公设计、家庭影音与游戏娱乐///
Maxtang
办公设计
在设计和多任务处理工作中,传统的硬件配置往往无法提供流畅的操作体验,尤其是需要处理大量数据和高分辨率图像时,性能瓶颈明显。尤其是在多任务处理时,传统硬件的性能短板更加凸显,使得设计师们不得不花费更多的时间和精力来等待系统的响应。
家庭影音
家庭影音行业是指以家庭娱乐影音系统为核心,涵盖设备研发、生产、销售、安装、调试、维护以及提供相关咨询和服务的一系列经济活动的综合性产业。该行业致力于为消费者在家中打造高品质、沉浸式的观影体验。
回顾过去,家庭影音行业伴随着我国居民消费升级和居住环境的改善,保持了稳健的增长态势。未来,随着5G、物联网技术的进一步普及,以及消费者对高品质生活追求的不断提升,家庭影院行业有望迎来更加广阔的发展前景。对于家庭影音用户来说,硬件设备需要支持高质量的多媒体输出,但现有的硬件接口和扩展能力常常有限,无法满足多屏显示与高速传输的需求。
游戏娱乐
随着科技的进步和消费者对娱乐形式的不断追求,电子游戏行业已成为全球娱乐产业中最为活跃且具有巨大潜力的领域之一。
游戏玩家追求高性能的硬件来支持大型游戏和高帧率显示,然而现有的硬件设备常常在散热和性能调度方面表现不足,难以满足长时间高负荷的游戏体验。在游戏过程中,硬件过热、性能下降等问题时有发生,这不仅影响了游戏的流畅度和稳定性,更可能导致硬件损坏,给玩家带来不必要的损失。因此,更好的游戏娱乐对硬件提出更高的性能要求。


02.
乐玩(中国)
力作
RL-50主板的高性能与多样应用///
Maxtang
处理器与内存
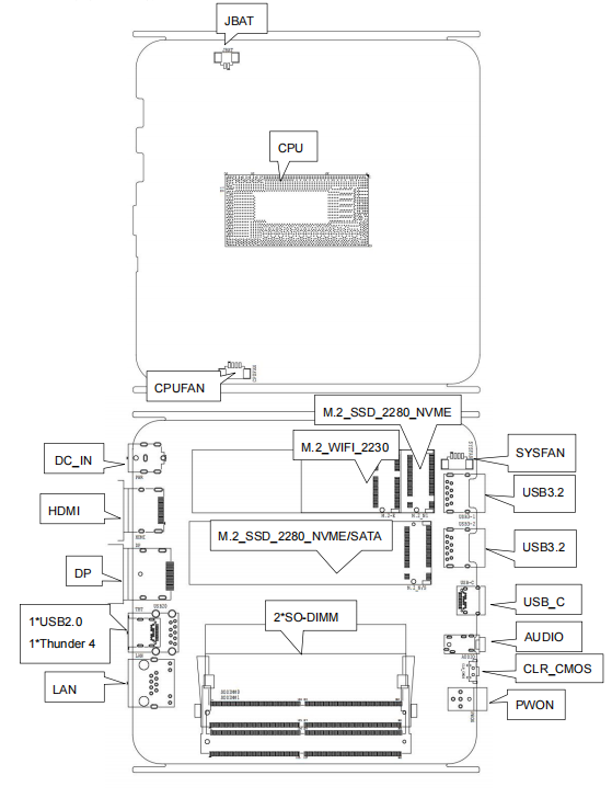
RL-50主板支持多款Intel® Alder Lake-P(12代)和Raptor Lake-P/H(13代)处理器,最多可配备12核16线程,配合双通道DDR5内存,最大支持64GB,确保卓越的多任务处理和高速响应。
显示接口
集成Intel® Iris® Xe Graphics(i5-1240P)或Intel® UHD Graphics(i5-12450H和i7-13620H),支持1个HDMI2.0、1个DP1.4以及1个Thunderbolt™ 4接口,提供高分辨率和多屏显示输出,适用于设计、影音和游戏场景。
存储与扩展
RL-50主板配有2个M.2 2280存储插槽,分别支持PCIe 4.0 x4信号(NVMe协议)和PCIe 3.0/SATA协议,可扩展高速SSD。同时配备M.2 2230插槽,用于Wi-Fi模块扩展,灵活满足多种存储需求。


数据传输
配备2个USB 3.2(A口)、1个USB 3.2(C口)、1个USB 2.0(A口)和1个全功能雷电4接口。雷电4接口支持高达40Gbps的数据传输速率,还支持显示和供电功能。
网络
RL-50板载Intel® i226网络控制器,支持2.5Gbps高速网络连接,配备1个RJ45接口,支持网络文件传输、视频会议和在线游戏的流畅体验。
音频与散热
内置Realtek HD ALC897音频芯片,支配备1个二合一音频接口(Line-out+Mic-in),提供高清音频体验。主动散热设计保证长时间高负荷运行时设备的稳定性。

03.
产品
优势
有力支持多任务处理、多媒体编辑、高性能游戏///
Maxtang
无论是同时运行多个办公软件,还是处理繁重的数据计算,RL-50主板都能展现出性能的稳定性。在多媒体编辑领域,RL-50主板能够流畅地处理高清视频、音频、图片素材,为专业设计师和创作者提供强有力的支持。在游戏娱乐领域,其具备出色的图形处理能力和数据传输速度,能够确保游戏画面的流畅与细腻,为玩家带来较好的游戏体验。并且,RL-50主板配备了丰富的接口和灵活的扩展性,连接更多的外设和存储设备,使其成为办公设计、家庭娱乐和游戏娱乐的理想解决方案。总之,RL-50主板能够有力支持多任务处理、多媒体编辑、高性能游戏,在办公和娱乐上皆可满足用户多样化的需求。
-END-